登录  免费注册

安阳高新区国家级示范生产力促进中心

Anyang High-tech Zone National Demonstration Productivity Promotion Center

首页 平台简介 科技成果转移转化 专利监控管理系统(RIMS) 五大产业数据库 科技创新主体展示 技术合同登记展示

一种零冷水热水器与浴室恒温系统

发布时间:2025-10-10
  • 专利类型:实用新型
  • 日期 :2025-10-10
  • 专利名称:一种零冷水热水器与浴室恒温系统
  • 专利权人 : 安阳师范学院
  • 联系电话 :2110568

交易价格(万元):面谈

专利详情

专利类别 :实用新型 专利号 : 202121586478.9 申请日期 : 2021-07-13
公开日期 :2022-01-14 专利名称 : 一种零冷水热水器与浴室恒温系统 专利权人 :安阳师范学院
国际分类号: 暂无 范畴分类号 : 暂无 行业分类 : 暂无
详情介绍:

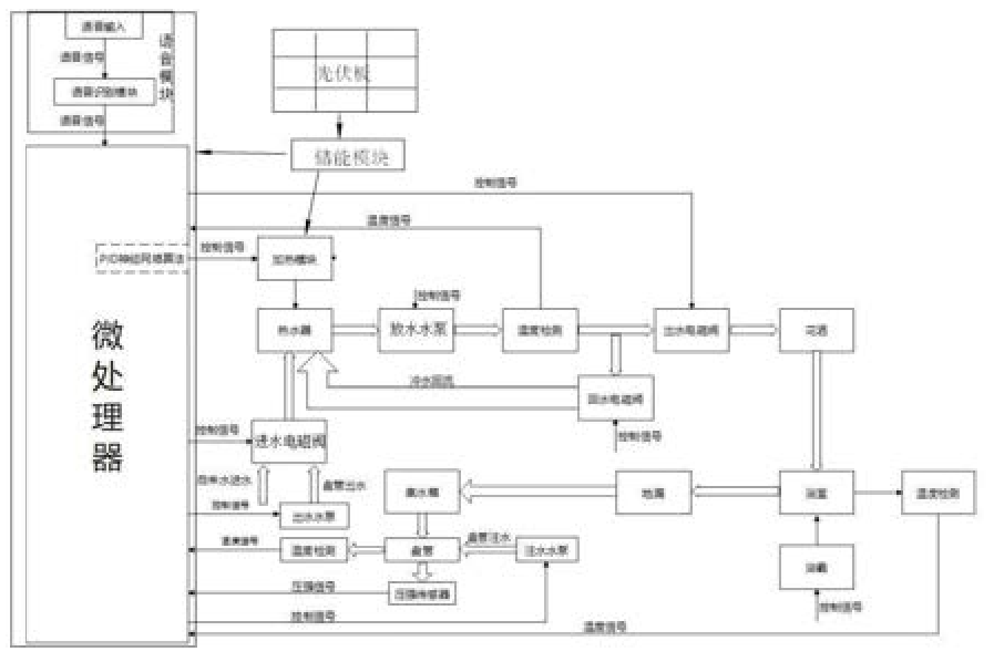
本实用新型公开了一种零冷水热水器与浴室恒温系统,包括浴室,在浴室内设置有热水器、浴霸和地漏,热水器内设置有加热模块和第一温检装置,该系统包括控制模块、冷水回流模块、余热回收模块;所述控制模块包括语音模块、微处理器,所述语音模块与微处理器电性连接;所述冷水回流模块设置在热水器的下方并与热水器连通,冷水回流模块包括放水水泵、出水电磁阀、回水电磁阀、第二温检装置;在浴室内还设置有第三温检装置,所述第一温检装置、第二温检装置、第三温检装置均与微处理器电性连接,所述加热模块、放水水泵、出水电磁阀、回水电磁阀、浴霸也均与微处理器电性连接。本系统方便人们洗浴时的操作控制,节能减排。

服务流程

服务流程

买方卖方

身份 买家提供 卖家提供 交易服务 过户后您将会获得
企业

企业申请

执照

企业营业执照

组织机构代码证

执照

企业营业执照

专利证书证件

专利代理委托书
专利权转让协议
办理文件副本请求书
发明人变更声明

专利委托书

手续合格通知书

专利登记薄副本

个人

个人申请

身份

身份证

执照

身份证

专利证书证件

服务承诺

  • 证明

    确保拿到
    核准专利转让证明

  • 证明

    确保拿到
    转让受理通知书

  • 证明

    专利转让
    全程监控

  • 证明

    专利转让完成
    享受专利最低待遇

  • 证明

    免费客服热线
    快速回复客户问题

安阳高新区国家级示范生产力促进中心

浏览量: 1395730人

联系电话:0372-2110568

传真:0372-2110568

地址:河南省安阳市高新区弦歌大道与峨嵋大街交叉口向东100米路南科创大厦

www.ayipx.cn 版权所有 严禁转载!豫ICP备17028958号 公网安备 41050202000126 河南相映红信息技术有限公司 【后台管理】

0372-2110568